• NEW
  • LED照明
  • MSL28 □シリーズ

超高輝度・高均一同軸LED スポット照明

高倍率テレセントリックレンズに最適

特徴

 

仕様

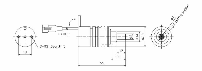
型式 発光色 入力電圧 外形図
MSL28W W 1A

MSL28R R
MSL28G G
MSL28B B

○抵抗 BOX:MRBOX4W-W(W/G/B 用)と MRBOX4W-R(R 用)を接続すればコントローラ:MLP シリーズ/
MDGC シリーズ使用可能。
○抵抗 BOX 使用時のほうが明るくご利用頂けます。

適合コントローラー

適合レンズラインアップ