• NEW
  • LED照明
  • MWシリーズ

多波長同軸スポット照明取付ユニット

UV〜SWIRまで幅広い波長帯に対応

特徴

 

仕様

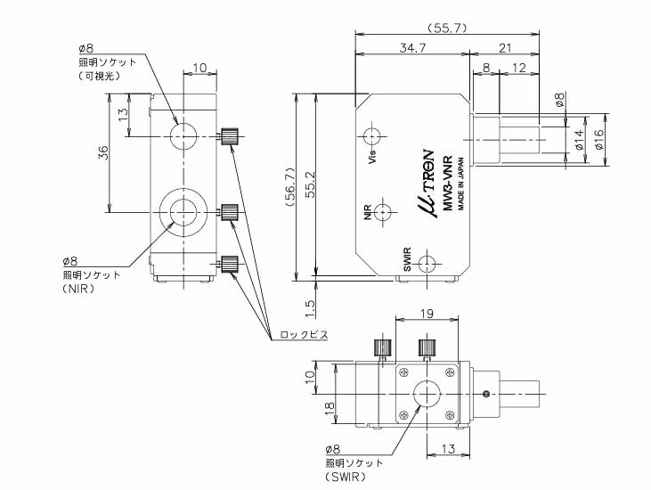
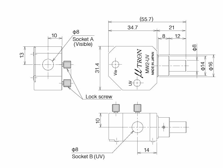
型式 タイプ ソケット対応光源 適応LEDスポット照明 外形図
MW2-VR 2波長選択 Vis(可視光) MSL22
W R G B
MHV-20A
W R G B
NIR~SWIR
(近赤外〜短波赤外)
MHV-20AIR-○○○
MSL22-1100SW
MW2-UV 2波長選択 Vis(可視光) MSL22
W R G B
MHV-20A
W R G B

UV(紫外)

MHVE-21AUV-○○○
MHV-20AUV-○○○
MW3-VNR 3波長選択 Vis(可視光) MSL22
W R G B
MSL14
W R G B
NIR(近赤外) MHV-20AIR-○○○
SWIR(短波赤外) MSL22-1100SW
MW3-RGB RGB3色混合 R(赤) MSL22R
MHV-20AR
G(緑) MSL22G
MHV-20AG
B(青) MSL22B
MHV-20AB

○MHV-20AIR- ○○○には、850、940 が入ります。
○MHVE-21AUV- ○○○には、365、375、385、395、405 が入ります。
○MHV-20AUV- ○○○には、365、375、385、395、405 が入ります。

 

撮像例 モバイルディスプレイ

可視光

NIR

SWIR

適合レンズラインナップ