• 遠心鏡頭
  • FT系列

WD110 高解析度遠心鏡頭

適合2-5MP相機
緊湊設計與高耐震性

特點

MSL14□系列

專用FT系列遠心鏡頭
□= 光源顏色R=紅色G=綠色B=藍色W=白色

緊湊型同軸光源

規格

型號 倍率 有效F值 物側NA 工作距離 OI 景深 解析度 TV畸變率 最大對應傳感器尺寸 外觀圖
FT05-110 0.5x 9.6 0.026 110mm 254.7mm 3.1mm 12.9μ 0.00% 2/3” en_30_01
FT08-110 0.8x 11.1 0.036 110mm 235.5mm 1.4mm 9.3μ 0.01% 2/3” en_30_02
FT10-110 1.0x 11.1 0.045 110mm 248.3mm 0.9mm 7.5μ 0.00% 2/3” en_30_03
FT15-110 1.5x 11.9 0.063 110mm 249.4mm 0.4mm 5.3μ 0.00% 2/3” en_30_04
FT20-110 2.0× 13.5 0.074 110mm 250.9mm 0.3mm 4.5μ 0.00% 2/3” en_30_05
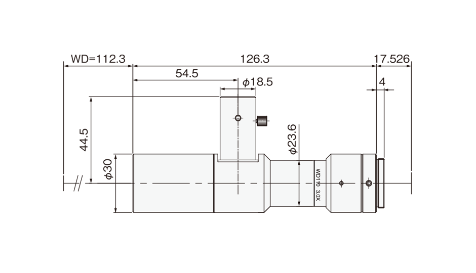
FT30-110R 3.0× 17.2 0.087 112mm 256.1mm 0.15mm 3.9μ 0.00% 2/3” FT30-110R
FT40-110R 4.0x 22.0 0.091 112mm 260.0mm 0.11mm 3.7μ 0.00% 2/3” FT40_110e
FT60-110R 6.0x 33.0 0.091 112mm 270.4mm 0.07mm 3.7μ 0.00% 2/3” FT60_110R
FT05C-110 0.5x 9.6 0.026 110mm 254.7mm 3.1mm 12.9μ 0.00% 2/3” FT05C-110
FT08C-110 0.8x 11.1 0.036 110mm 235.5mm 1.4mm 9.3μ 0.01% 2/3” en_30_09
FT10C-110 1.0x 11.1 0.045 110mm 248.3mm 0.9mm 7.5μ 0.00% 2/3” en_30_10
FT15C-110 1.5x 11.9 0.063 110mm 249.4mm 0.4mm 5.3μ 0.00% 2/3” en_30_11
FT20C-110 2.0x 13.5 0.074 110mm 250.9mm 0.3mm 4.5μ 0.00% 2/3” en_30_12
FT30C-110R 3.0x 17.2 0.087 112mm 256.1mm 0.15mm 3.9μ 0.00% 2/3” FT30C-110R
FT40C-110R 4.0x 22.0 0.091 112mm 260.0mm 0.11mm 3.7μ 0.00% 2/3” FT40C_110R_e
FT60C-110R 6.0x 33.0 0.091 112mm 270.4mm 0.07mm 3.7μ 0.00% 2/3” FT60C_110R

○記載數值爲設計值。 ○接口是C口 ○解析度根據波長550nm計算 ○景深假設1/2型相機320TV線的分辨水平計算值(最少彌散圓40μm)