• TELECENTRIC LENS
  • FT Series

WD110 High NA Mega Pixel Telecentric Lens

Design for 2-5 Mega Pixel Compact and high durability

FEATURES

MSL14□Series

Design for FT series,Telecentric Lens for 2-5Mega Pixel
□= light color(R=RED、G=GREEN、B=BLUE、W=WHITE)

Compact size Coaxial spotlight

SPECIFICATION

Model Magnification F No. Object side NA WD OI Depth of field Resolution TV distortion Maximum
Compatible Sensor

Mount

Dimension

FT05-110 0.5x 9.6 0.026 110mm 254.7mm 3.1mm 12.9μ 0.00% 2/3” C
FT08-110 0.8x 11.1 0.036 110mm 235.5mm 1.4mm 9.3μ 0.01% 2/3” C
FT10-110 1.0x 11.1 0.045 110mm 248.3mm 0.9mm 7.5μ 0.00% 2/3” C
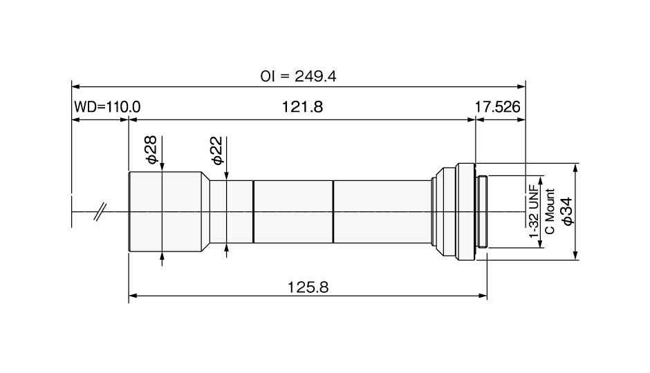
FT15-110 1.5x 11.9 0.063 110mm 249.4mm 0.4mm 5.3μ 0.00% 2/3” C
FT20-110 2.0x 13.5 0.074 110mm 250.9mm 0.3mm 4.5μ 0.00% 2/3” C
FT30-110R 3.0x 17.2 0.087 112mm 256.1mm 0.15mm 3.9μ 0.00% 2/3” C
FT40-110R 4.0x 22.0 0.091 112mm 260.0mm 0.11mm 3.7μ 0.00% 2/3” C
FT60-110R 6.0x 33.0 0.091 112mm 270.4mm 0.07mm 3.7μ 0.00% 2/3” C
FT05C-110 0.5x 9.6 0.026 110mm 254.7mm 3.1mm 12.9μ 0.00% 2/3” C
FT08C-110 0.8x 11.1 0.036 110mm 235.5mm 1.4mm 9.3μ 0.01% 2/3” C
FT10C-110 1.0x 11.1 0.045 110mm 248.3mm 0.9mm 7.5μ 0.00% 2/3” C
FT15C-110 1.5x 11.9 0.063 110mm 249.4mm 0.4mm 5.3μ 0.00% 2/3” C
FT20C-110 2.0x 13.5 0.074 110mm 250.9mm 0.3mm 4.5μ 0.00% 2/3” C
FT30C-110R 3.0x 17.2 0.087 112mm 256.1mm 0.15mm 3.9μ 0.00% 2/3” C
FT40C-110R 4.0x 22.0 0.091 112mm 260.0mm 0.11mm 3.7μ 0.00% 2/3” C
FT60C-110R 6.0x 33.0 0.091 112mm 270.4mm 0.07mm 3.7μ 0.00% 2/3” C

○Indicated specifications are design values. ○Resolution indicates a theoretical resolution at a wavelength of 550nm. ○Depth of field is calculated assuming permissible circle of confusion is 40μm.